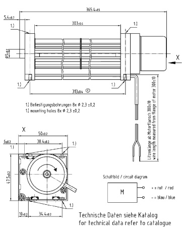
Схема подключения
| № | Цвет | Операция |
|---|---|---|
| 1 | Красный | + UB |
| 2 | Синий | - GND |
Электротехнические характеристики
| Функция | None |
|---|---|
|
Защита от обратной полярности Макс. остаточный ток при Umax время реакции защита от обратной полярности |
PTC IF 2.800 mA < 15,0 s at Tu = 23°C |
| Защита от заторможенного ротора | PTC |
| Время реакции защита от блокировки ротора | < 120 s at Tu = 23°C |
| Ток заторможенного ротора при Umax | approx. 110 mA according 120 s |

Повторный запуск вентилятора возможен после кратковременного отключения электроэнергии.
Аэродинамические характеристики
Измерено на двухкамерном испытательном стенде с дросселированием на стороне всасывания в соотв. DIN EN ISO 5801 и используя специализированная установка ebmpapst для воздуходувок с поперечным потоком. Нормальная плотность воздуха = 1,2 кг / м3; Температура 23 ° C +/- 3 ° C; В зоне забора и выхода не должно быть никаких твердых преград в пределах 0,5 м. Вал двигателя горизонтальный. Информация действительна только при указанных условиях испытаний и может быть изменена условия установки. Если есть отклонения от стандартных условий испытаний, характеристические значения должны быть проверены в установленных условиях

Разрешенная область применения:
Продукт предназначен для использования в закрытых помещениях с контролируемой температурой и контролируемой влажностью. Напрямую следует избегать контакта с водой.
Степень загрязнения 1 (согласно DIN EN 60664-1)
Загрязнение либо отсутствует, либо возникает только сухое непроводящее загрязнение. Загрязнение не оказывает негативного воздействия.
|
Артикул
|
9392715002 |
|
Завод-изготовитель
|
epM |
|
Постоянный/переменный ток
|
постоянный |
|
Номинальное напряжение
|
24 В |
|
Скорость вращения
|
4000 об/мин |
|
Входная мощность
|
9 Вт |
|
Потребляемый ток
|
0.36 А |
|
Минимальная температура окружающей среды
|
-20 [°C] |
|
Максимальная температура окружающей среды
|
60 [°C] |
|
Максимально допустимая темп.окружающей среды
|
°C +80 KLM |
|
Минимально допустимая темп.окружающей среды
|
°C -40 KLM |
|
Вес
|
kg 0.38 KLM |

