Характеристики
Ток электродвигателя, А
—
25
Производитель
—
АО "ГМС Ливгидромаш"
Гарантия
—
12 месяцев
В корзину
Купить в 1 клик
Документы
Описание
Технические характеристики
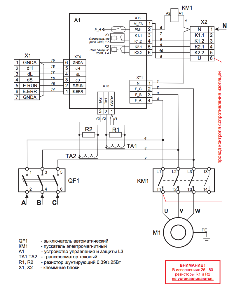
Масса, кг: 7 Ток электродвигателя, А: 1..25 Степень защиты корпуса: IP 54 Количество подключаемых датчиков: до 5 Номинальное напряжение силовой цепи, В: 380 Частота тока питающего напряжения, Гц: 50 Номинальное напряжение питания микроконтроллера, В : 220 Номинальное напряжение цепей питания датчиков уровня, В: 15Электрическая схема подключения
Схема подключения датчиков уровня
