Характеристики
Подача, м3/ч
—
90
Напор, м
—
100
Максимальная мощность насоса, кВт
—
44
По запросу
Нашли дешевле?
Выберите нужный вариант товара
Насос ЦН 90/100 агрегат на раме, с двигателем
Комплектация:
агрегат с двигателем
Описание
Технические характеристики
| Подача (номин.), м³/ч | 90 |
| Напор, м | 100 |
| Мощность потребляемая насосом (макс.), кВт | 44 |
| Частота вращения, об/мин | 2900 |
| Частота вращения, c˜¹ | 48 |
| КПД насоса, % | 60 |
| Частота тока, Гц | 50 |
| Вид тока | переменный |
| Допускаемый кавитационный запас, м, не более | 4.8 |
| Тип конструкции насоса | двухстороннего входа |
| Область применения | перекачка нефти, нефтепродуктов, нефтепереработка, нефтехимия, химическая промышленность |
| Перекачиваемая среда | нефть, бензин, керосин, дизтопливо, вода с нефтепродуктами, химически активные среды |
Характеристика насосов типа ЦН 90/100
Частота вращения 48 с -1 (2900 об/мин) *данные для насоса Значения мощности даны при плотности 860 кг/м 3
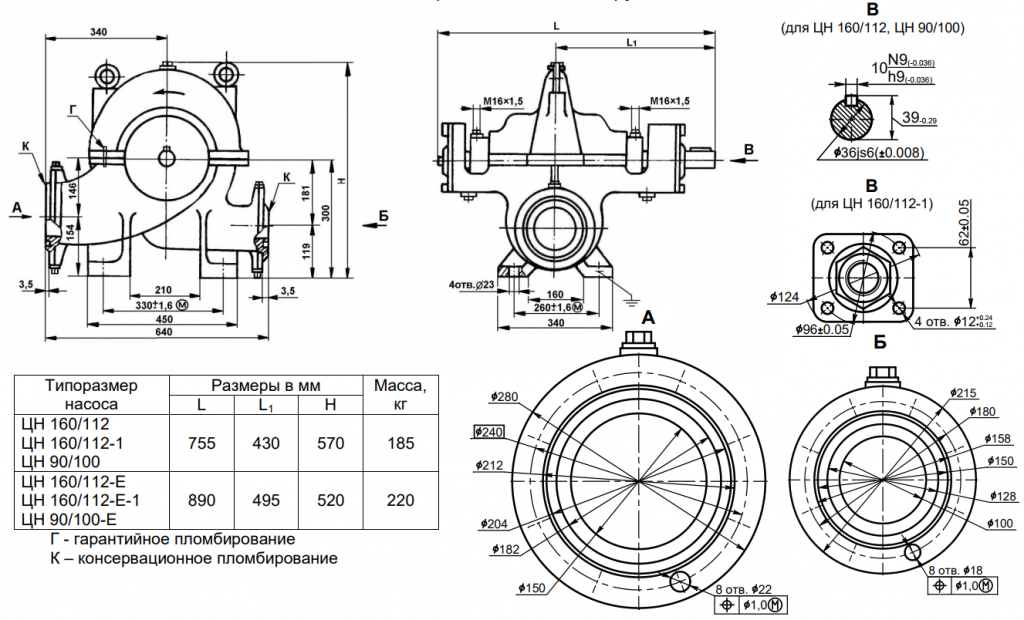
Габаритный чертёж насосов с нижним расположением патрубков

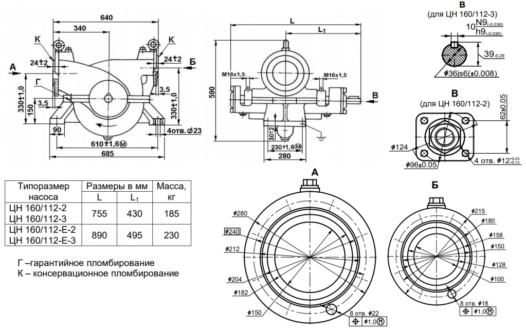
Габаритный чертёж насосов с верхним расположением патрубков

Габаритный чертёж агрегатов


| Типоразмер | Размеры, мм | Масса, кг | Двигатель | |||||||||||
| L | L1 | L2 | L3 | L4 | B | B1 | B2 | H | H1 | Мощность, кВт | Напряжение, В | Типоразмер двигателя | ||
| ЦН90/100 ЦН90/100а | 1605 | 1265 | 755 | 325 | 175 | 305 | 580 | 510 | 910 | 505 | 695 | 55 | 380;660 | ВА225М2 |
| 1780 | - | 910 | 505 | 788 | 380/660 | АВ225М2 | ||||||||

