Описание
Насос НМШ 40-4Т агрегат аналогичный НМШ 40-4, но работает в режиме температуры транспортируемой жидкости 2500. Производится в дух видах, а именно, во взрывобезопасном и в пожаробезопасном исполнении.
Насос НМШ 40-4Т имеет основные показатели работы машины: подача – 19,5 метров кубических в час, давлением 0,4 Мпа, частотой ротора 980 об/мин. Привод двигателя электрический асинхронный трёхфазный, может подключаться к сети 220/380 В. Для лучшей работы агрегата можно оборудовать двигатель преобразователем частоты.
Технические характеристики
Кинематическая вязкость перекачиваемой жидкости, м2/с (°ВУ): 0,000008...0,00028(1,08 – 35) Частота вращения с-1 (об/мин): 16,3(980) Подача, л/с (м3/ч), не менее : 19,5(5,4) Давление насоса на выходе, МПа (кгс/см2), не более: 0,4(4) Давление полного перепуска, МПа(кгс/см2), не более: 0,6(6) Мощность насоса в агрегате, кВт, не более: 5 КПД насоса в агрегате, % не менее: 50 Допускаемая вакуумметрическая высота всасывания , м: 5 Напряжение, В : 220/380 Частота тока, Гц: 50 Род тока: ПеременныйХарактеристика насоса
Характеристика насоса серии Ш40-4Т.
Жидкость - масло
Кинематическая вязкость -0,75*10-4 м2/с (10°ВУ)
Частота вращения - 16,3 с-1(980 об/мин)
Вакуумметрическая высота всасывания - 5 м
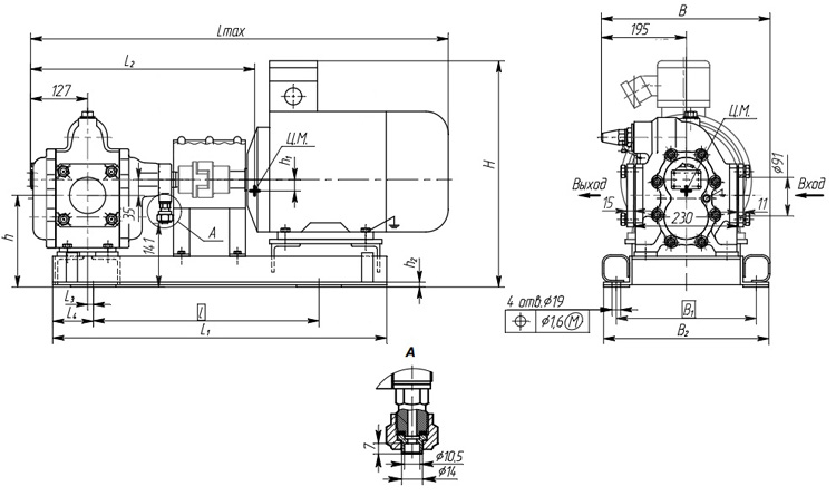
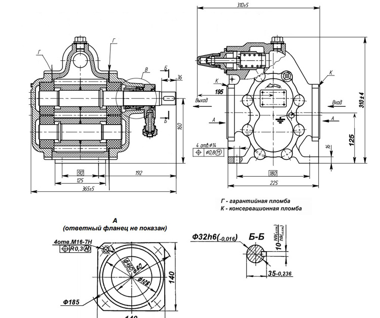
Габаритные размеры
Габаритные размеры агрегатов с литым фонарем серии Ш40-4Т.
Габаритные размеры и параметры агрегатов
Габаритные размеры агрегатов серии Ш40-4Т.
| Типоразмер агрегата | Обозначение двигателя | Размеры, мм | Масса, кг | |||||||||||||
| L max | L1 | L2 | L3 | L4 | l | B | B1 | B2 | H max | h | h1 | h2 | Насоса | Агрегата | ||
|
Ш40-4Т-19,5/4-1 |
ВА132S6 |
950 | 740 | 460 | 13 | 90 | 500 | 390 | 310 | 366 | 650 | 203±3 | 10 | 11 | 47 | 166 |
|
Ш40-4Т-19,5/4-5 |
АИР132S6 |
885 | 740 | 423 | 13 | 90 | 500 | 390 | 310 | 366 | 500 | 203±3 | 25 | 11 | 47 | 143 |
