Характеристики
Подача, м3/ч
—
0.3
По запросу
Нашли дешевле?
Выберите нужный вариант товара
Агрегат БГ11-11А
Описание
Технические характеристики
| Тип насоса | Подача, м3/ч |
Номинал. Подача, л/мин |
Коэффициент подачи, %/ давление на выходе, кгс/см2 |
Привод, мощность, кВт | Размеры насоса, мм | Масса агрегата, кг |
| БГ11-11А | 0,3 | 5 | 63/5 | 0,14 | 101х100х86 | 7,3 |
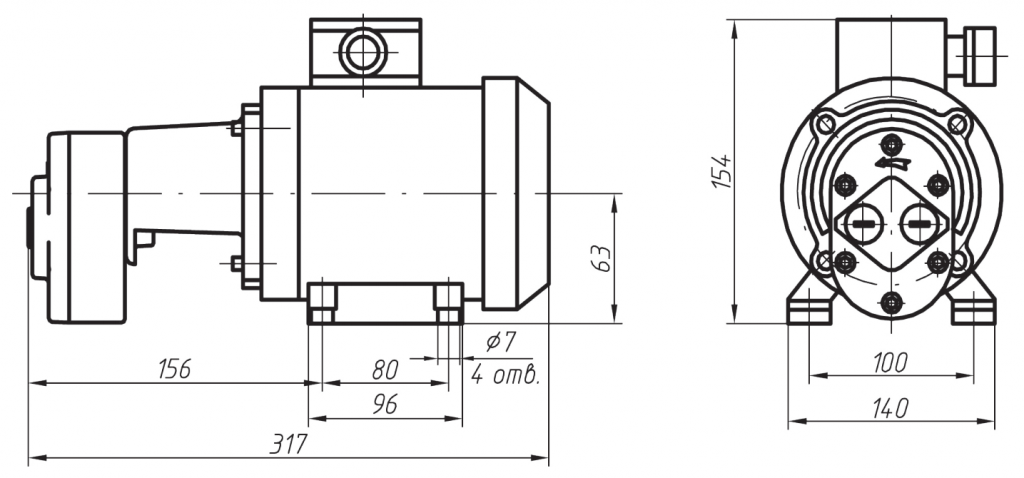
Габаритные размеры

Крепление агрегата этого исполнения осуществляют через отверстия в лапах двигателя.
