Характеристики
Подача, м3/ч
—
21.6
По запросу
Нашли дешевле?
Под заказ
Наши менеджеры обязательно свяжутся с вами и уточнят условия заказа
Описание
Технические характеристики
| Подача, м³/ч, не менее | 21.6 |
| Давление на выходе из насоса, кгс/см² не более | 25 |
| Давление полного перепуска, МПа | 3.75 |
| Мощность потребляемая насосом (макс.), кВт | 21 |
| Частота вращения, об/мин | 2900 |
| Частота вращения, c˜¹ | 48 |
| КПД насоса, % | 77 |
| Напряжения сети, В | 220/380 |
| Частота тока, Гц | 50 |
| Вид тока | переменный |
| Кинематическая вязкость перекачиваемой среды (расчетная), °ВУ | 10 |
| Допускаемая вакуумметрическая высота всасывания, м | 5 |
| Тип конструкции насоса | винтовые |
| Область применения | судостроение |
| Перекачиваемая среда | нефть, мазут, масло, дизтопливо |
Характеристика насоса
Жидкость – дизельное топливо
Вязкость – 0,03*10-4 м 2 /с (1,25°ВУ)
Частота вращения – 48 с-1 (2900 об/мин)
Допускаемая вакуумметрическая высота всасывания – 5 м

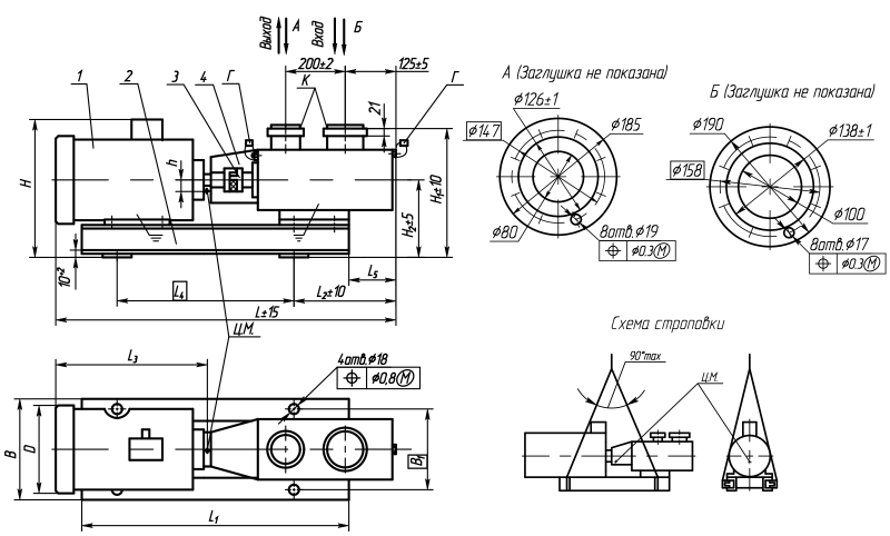
Габаритные размеры агрегата

| Марка агрегата | Размеры, мм | Масса, кг | ||||||||||||
| L | L1 | L2 | L3 | 4 | L5 | D | H | H1 | H2 | h | B | B1 | ||
| А1 3В 16/25-22/25Б | 1250 | 965 | 220 | 600 | 690 | 92 | 400 | 565 | 420 | 275 | 60 | 450 | 410 | 267 |
