Характеристики
Минимальная производительность, тыс.м3/час
—
1.75
Максимальная производительность, тыс.м3/час
—
8.0
Максимальное полное давление, Па
—
1520
Число лопаток рабочего колеса
—
6
По запросу
Нашли дешевле?
Выберите нужный вариант товара
Вентилятор крышный ВКРСм-4 с двигателем 3/3000 из нержавеющей стали
Коррозионностойкость:
Да
Вентилятор крышный ВКРСм-4 с двигателем 3/3000 из нержавеющей стали из разнородных материалов
Взрывозащищенность:
Да
Коррозионностойкость:
Да
Вентилятор крышный ВКРСм-4 с двигателем 3/3000 из разнородных материалов
Взрывозащищенность:
Да
Вентилятор крышный ВКРСм-4 с двигателем 3/3000 из углеродистой стали
Описание
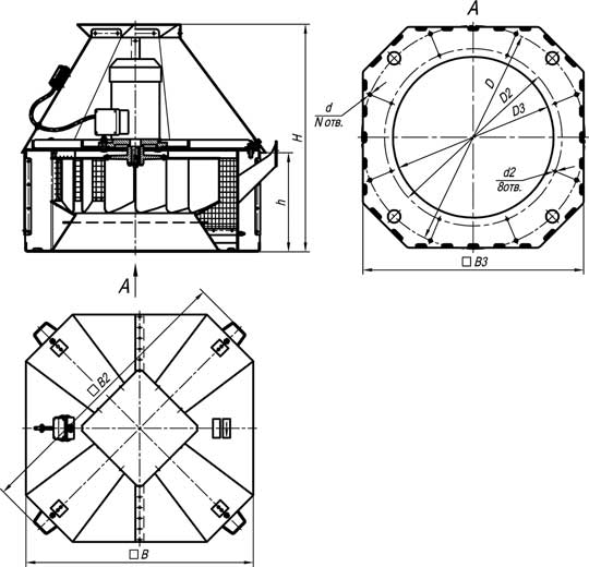
Габаритно-присоединительные размеры

| Размеры, мм | ||||||||||
| D | D2 | D3 | d | d2 | B | B2 | B3 | H | h | N |
| 595 | 430 | 380 | 16 | M8 | 620 | 895 | 640 | 730 | 300 | 8 |
Аэродинамические характеристики

