Характеристики
Номинальное напряжение, В
—
24
Крутящий момент, Н/м
—
10
По запросу
Нашли дешевле?
Под заказ
Наши менеджеры обязательно свяжутся с вами и уточнят условия заказа
Описание

Описание привода для клапана
Электроприводы Dastech FS-10N24S без возвратной пружины на 10Нм предназначены для управления противопожарными нормально закрытыми (огнезадерживающими) клапанами, а так же клапанами дымоудаления небольших и средних размеров, установленными в системах кондиционирования, общеобменной, местной и технологической вентиляции.
Сервопривод Dastech FS-10N24S, в зависимости от типа используемого клапана, изменяет положение воздушной заслонки в положение «закрыто» или «открыто».
Технические характеристики
- Крутящий момент: 10 Нм
- Номинальное напряжение: 24В
- Управляющий сигнал: включение / выключение, двухточечное
- Для воздушной заслонки площадью: до 1.5 м²
| Крутящий момент | 10 Нм |
| Размер заслонки | 1.5 м² |
| Направление вращения | Левое (L) и правое (R) |
| Управление | 2/3-х точечное (вкл/выкл) |
| Ручное управление | Да |
| Угол поворота | 95° (максимум) |
| Время поворота двигателя | <45 сек |
| Уровень шума | 45дБ |
| Индикация положения | механический |
| Вспомогательный переключатель | 2 SPDT |
| Индуктивная нагрузка SPDT | 1.5A / 230V |
| Тепловой датчик SAF72 | Нет |
| Номинальное напряжение | AC/DC 24V 50/60Hz |
| Номинальный диапазон напряжения | AC/DC 19,2 … 28,8 В |
| Потребляемая мощность | 5Вт (работа) / 0.5Вт (удержание) |
| Размеры проводов | 0,5 мм² |
| Класс защиты | Ⅲ (безопасное низкое напряжение) |
| Уровень защиты | IP54 |
| Температура окружающей среды | -20 … + 50 ℃ / IEC 721-3-3 |
| Температура хранения | -30 … + 80 ℃ / IEC 721-3-2 |
| Относительная влажность | 95%, без конденсации (EN60730-1) |
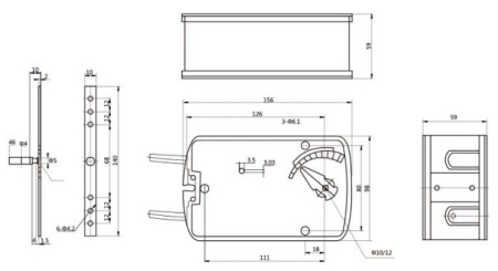
| Размеры (Д×Ш×В) | 156мм х 98мм х 59мм |
| Длина вала | > 9 мм |
| Вес | < 1.8 кг |

